您好,欢迎访问浙江瑞鸿机电设备有限公司官方网站!

全国服务电话:13957004630

13567046370

产品展示
联系方式

contact us

浙江瑞鸿机电设备有限公司

联系人:宋经理

电 话:0570-3679305

地 址:浙江省衢州市衢江区廿里工业区朝得路31号

热门标签

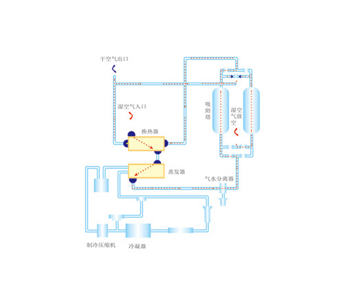
微热再生组合式低露点干燥机

微热再生组合式低露点干燥机
详细内容


本文标签: